
服務熱線: 布袋除塵器生產廠家
您的位置: 河北富宇環保設備有限公司 > 粉塵除塵設備 > 布袋除塵器

UF單機袋式收塵器UF單機袋收塵器是引進美G富樂公司,具有八十NA袋技術水平的小型袋收塵器。UF單機袋式收塵器經濟實用,結構簡單緊湊,安裝容易,維修方便,主要應用于庫頂、庫底、倉頂及各種輸送機。
簡介
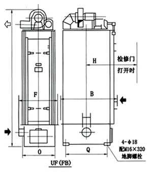
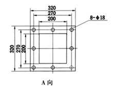
UF單機袋式收塵器(Unl-Filter)系引進美G富樂公司,具有八十NA代技術水平的小型袋收塵器。這種UF單機袋式收塵器經濟實用;結構簡單緊湊,安裝容易,維修方便(內濾式)主要用于庫高、庫底、倉高及各種輸送機等排放和揚塵點收塵,UF單機袋式收塵器采用滌綸布袋,入口溫度<120℃除塵效果達99.8%。如有特殊用途可提供耐溫,耐腐蝕濾料的UF單機袋式收塵器。
UF單機袋式收塵器型號說明
UF(STD)/(FM)/(FB)-m-n
U:單機(Unit)
F:收塵器(FUtey)
(STD)/(FM)/(FB):安裝型號
m:規格號
n:多機組合時的單元
|
|||||||||||||||||||||||||||||||||||||||||||||||||||||||||||||||||||||||||||||||||||||||||||||||||||||||||||||||||||||||||||||||||||||||||||||||||

